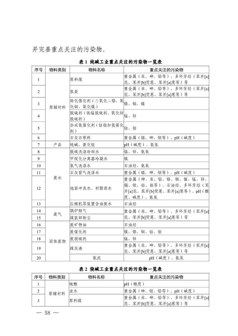
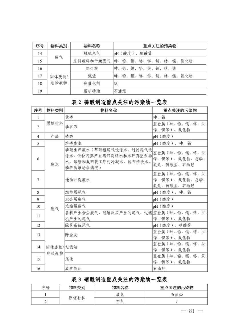
四川发布五大行业土壤污染隐患排查技术要点,规范企业自查
近日,四川省生态环境厅办公室印发《四川省磷肥制造行业企业土壤污染隐患排查技术要点》等5个技术要点,涉及磷肥制造行业、铅蓄电池制造行业、涂料制造行业、无机碱制造行业、无机酸制造行业等行业。
四川省生态环境厅办公室关于印发《四川省磷肥制造行业企业土壤污染隐患排查技术要点》等5个技术要点的通知
各市(州)生态环境局:
为深入打好土壤污染防治攻坚战,规范土壤重点监管单位土壤污染隐患排查工作,我厅组织编制了《四川省磷肥制造行业企业土壤污染隐患排查技术要点》等5个技术要点。现印发你们,请参照执行。
附件:1.四川省磷肥制造行业企业土壤污染隐患排查技术要点
2.四川省铅蓄电池制造行业企业土壤污染隐患排查技术要点
3.四川省涂料制造行业企业土壤污染隐患排查技术要点
4.四川省无机碱制造行业企业土壤污染隐患排查技术要点
5.四川省无机酸制造行业企业土壤污染隐患排查技术要点





































































































声明:如有信息侵犯了您的权益,请告知,本站将立刻删除。




